手机:15662684009
电话:15662684009
邮箱:didihay@qq.com
地址:山东省济南市济阳县
发布时间:2025-12-21 点此:242次
弘锋机械 15840485257 专业生产定制升降机 升降货梯 升降平台 家用别墅电梯 传菜机 登车桥等升降设备,全国200+城市设有经销商,可免费上门量尺安装!
若仍借助人力来进行上下楼的搬运工作,那将会致使你在每年额外支出好多几万元的成本,并且还会面临着人员出现受伤的风险。升降货梯恰是解决这一极具核心性质痛点的关键设备产物,它能够使得你的装卸效率提升至以上300% 。

升降货梯如何提升效率
从前,货物在楼层间转移,靠的是人工搬运加上简易滑轮,速度迟缓,还耗费大量劳动力。有一台标准的二层液压升降货梯,它的载重能够达到1至3吨,完成一回货物提升仅仅需要30秒。这就表明,以往用传统方式,两名工人搬运半小时的货物,现下一台设备在一分钟之内就可以搞定。对于那些日均货物吞吐数量大的工厂或者仓库而言,效率的提升直接转变为能够看见的利润增长。
到具体场景而言,于物流分拣中心那儿,运用升降货梯去连接分拣线以及装车平台,如此做能够减缩货物滞留的时间。在餐饮后厨之处,食材从仓库到加工区进行快速转运,这确保了出品的速度。数据显示,引入这种设备之后,相关岗位的人工需求平均能够减少1.5人,设备投资一般在12至18个月之内便能够凭借节省的人力成本收回来。
液压驱动的可靠核心
作为运输货物的升降货梯,其稳定运行的关键所在是液压驱动系统,此系统主要由液压站,油缸以及油管一起来共同构成。当设备接收到启动上升的指令之后,液压站的油泵开始通电进行工作,把液压油经由油管压入到双液压缸当中。油压促使缸内的活塞杆能够平稳地伸出来,进而顶升载货平台。该过程力量方面均匀,运行十分平稳,能够对精密或者易损货物起到有效的保护作用。

它的优势体现为具备极高的可靠性,液压系统体系结构成熟起来,出现故障的概率较低,就算是在突然出现但断电的状况之下,系统所特有的保压功能也能够立刻启动起来,致使货梯稳稳当当地停留在当前所处的位置,绝对不会发生坠落的情况,从而确保了货物以及人员的安全,这跟一些依赖于纯机械或者是绳牵引的设备相比较而言,安全冗余度存在着质的差异。
双重安全保障设计

第一生命线是物料搬运设备的安全所在位置。所以,正规的升降货梯于设计方面设置了多重机械与电气互锁装置。其一,设备各楼层的防护门配备安全开关,只有在能够确认所有防护门都已关闭的情形下,控制电路才会被接通,设备才得以启动运行。这从根源上杜绝了人员坠落或遭受夹伤的风险隐患。
控制系统在上升进程里,设置了双重限位开关,当货梯平台往上升的时候,碰到第一道上限位,就会自动停下来,要是这个开关不起作用了,平台接着往上升就会触动第二道终极限位,从而强制切断电源,这样的冗余设计,把“冲顶”事故的可能性彻底杜绝了,这是许多简易提升设备都没有的关键安全配置。
精准高效的电气控制
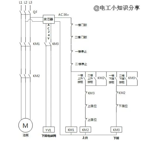
追求简洁与可靠的是设备的电气控制系统,其核心逻辑类似电机正反转控制,不过更为智能,控制柜借助交流接触器KM2对油泵电机加以控制来达成上升,借助接触器KM3控制泄压电磁阀以完成下降,KM2与KM3之间设有让上升和下降动作绝不可能同时出现从而避免因误操作致使系统冲突的电气互锁。

有关整个控制回路,仅需操作几个关键按钮,分别是启动按钮、停止按钮、上升按钮以及下降按钮。对于操作人员而言,经过简短培训之后,便可熟练掌握此操作。这般化繁为简的设计,降低了维护难度,同时也缩短了故障排查时间。在市场上,主流品牌的平均故障间隔时间,也就是MTBF,已然超过2000小时,进而保证了设备的出勤率。
下降过程的独特机制
货梯下降进程跟上升缘由并非一样,它不是依靠电力来驱动的,而是借助平台跟货物自身的重量。当把下降指令进行操作时,控制电磁阀会因为通电从而打开,连接液压缸的油路和油箱就会导通。由于重力的作用,以致使平台逐渐地下降情况出现 ,然后液压缸里面的油液会被压回油箱中。此过程所消耗的能量是非常低的,并且速度是较均匀而且还能够进行控制的这么一种情形 。
因为下降是借助重力这一物理特性,所以其安全风险相对比较低,即便下降限位开关出现故障,平台降到最低点以后就会自然停止,不会出现像“冲顶”那样的结构性破坏风险,于是,标准设计一般只为下降设置一道限位,这既能保障安全,又能达成成本的最优控制 。
为您的业务注入动力
选择一台适配的升降货梯,您并非只是购置了一套装置,而是为您的生产线或者仓储流程引入了一位高效的“垂直物流行家”。它能够毫无缝隙地衔接您的一楼跟二楼、月台与车厢,破除空间阻碍,使得物料流动如同水面移动那般顺遂。不管是制造业的零件运送,还是零售业的仓库补充货物,它都能够大幅缩短作业周期。
依据行业所反馈情况,在使用升降货梯之后,相关环节的作业时间平均缩减了百分之六十五,工伤事故发生概率降低接近百分之九十。并且设备的定制化程度也是相当高的,您能够依照井道尺寸、载重方面的需求以及楼层高度来开展灵活的选型。投资在这上面,就是投资于更具安全性、更加高效以及更具有竞争力的未来运营模式。
在您当前所处的仓库或车间里,目前最大的物流瓶颈究竟处于哪一层呢,是上下楼搬运耗费时间那般情况,还是存在安全方面的隐患呢,欢迎于评论区内分享您所面临的具体场景,且让我们一同去探讨升降货梯能不能成为您的最佳解决方案。要是本文对您产生了启发的话,请点赞并且分享给有可能需要的伙伴。
辽ICP备2023004615号