手机:15662684009
电话:15662684009
邮箱:didihay@qq.com
地址:山东省济南市济阳县
发布时间:2026-01-08 点此:196次
弘锋机械 15840485257 专业生产定制升降机 升降货梯 升降平台 家用别墅电梯 传菜机 登车桥等升降设备,全国200+城市设有经销商,可免费上门量尺安装!
你可晓得,超过百分之六十的机械设备在早期阶段出现精度丧失以及异常磨损的情况,皆是源于滑动导轨的结构设计存在不当之处?有一个看起来颇为基础的组件,却直接对整台设备的性能以及寿命起到了决定性作用。今日,我们会对普通滑动导轨的结构设计核心展开彻底剖析,为你给予能够直接加以应用的设计思路以及参数指导。
导轨截面形状选择策略
滑动导轨截面形状是设计起始点,对于直线滑动导轨,其核心是由多个平面构成的导向面,你要遵循的设计原则是,平面数量应尽量少,如此既便于制造与装配,又能简化后续检验流程,更关键的一步是把导轨主要承力面设计成垂直于主要外力方向,这可有效将正压力转变为稳定支撑,进而显著降低不均匀磨损。

对你的运动部件而言,当横向尺寸比较小的时候,像某些检测仪器呀,或者小型线性模组之类的,采用单条导轨来达成全封闭结构,这是高效且经济的一种选择。这种结构本身能够提供良好的抗扭转以及防倾覆能力。然而对于那些尺寸较大,作用力复杂,或者重心合力不通过单导轨面的移动部件,就像大型龙门机床的滑鞍那样,那你就得采用组合导轨方案,借助多个导轨面协同工作,以此来保障运动绝对平稳以及承载可靠 。

导轨关键尺寸的确定依据

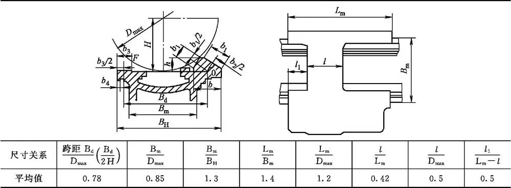
导轨尺寸,直接关联着它的刚性以及负载能力。拿最常见的V形导轨与燕尾形导轨来说,其角度、深度、宽度等关键尺寸,在国家标准或者行业手册里,都有系列化数据能够供人参考。比如说,V形导轨的夹角,通常有60°、90°以及120°等,90°夹角,在承载能力跟导向精度之间,提供了较好的平衡,是许多通用机床的首选 。
再一个典型实例是卧式车床的导轨,其尺寸关联历经长久时间实践予以证实。床身导轨的宽度跟拖板宽度的比率、导轨的高度与床身整体高度的关联,均存在一套成熟的经验公式。这些尺寸不但保障了充足的刚度从而抵御切削力,还对空间利用以及制造成本进行了优化。要是忽视这些经过验证的尺寸关系,盲目开展设计工作,极有可能致使刚性欠缺或者造成材料浪费。

导轨间隙调整装置的配置

可保证灵活运动的导轨副务必得留有恰当间隙,然而间隙会因磨损而变大,所以可调整的装置绝对不能少。镶条与压板是两种运用最为广泛的间隙调整元件。镶条一般要安放在导轨受力小些的一侧,要是要求调整后运动部件的中心位置维持不变,那么就得在导轨两侧对称布置镶条。

对于那种长度超出一定范围的长导轨,比如说超过两米的,建议在导轨两端各用一根镶条分别去做调整。这跟使用单根长镶条相比,更能够保证整个结合面接触均匀,还降低了加工难度。在挑选燕尾导轨的镶条时,你非得提前考虑整个部件的装配工艺顺序,要确保镶条在装配阶段能够便利地装入以及调整,防止设计出没办法安装的结构。

导轨卸荷装置的设计应用
设备若是重型或者高速的那种,为了能够去减少导轨面所存在的摩擦阻力,将磨损予以降低让运动灵敏度得以提升的缘故,常常是非得要引入卸荷装置的。卸荷装置其核心作用在于承担一部分,甚至是大部分的外加载荷,进而致使导轨面实际承受的压强显著下降。依据承受载荷的比例有所不同,卸荷系数α通常是在0.5至0.8这个范围之内进行选择的。
比如说,以精密坐标镗床来讲,卸荷所要达成的主要目的在于降低摩擦,进而提高灵敏度 ,α值大概能取0.5左右,而针对大型立式车床或者龙门铣床而言,将导轨的巨大载荷予以减轻,同时保护导轨面属于首要目标,α值应当取0.7甚至还要更高一点儿。卸荷方式主要存有机械式,举例来说像采用滚轮或者弹簧这类情形,以及液压式这两种类型,液压卸荷能够提供更为恒定且均匀的支撑力,适用于负载变化幅度较大的场合 。
导轨压强的核算与验证
待设计方案初步敲定后,可以,你得针对导轨面的平均压强展开一番运算,同时还要给那最大压强做个核算。这可是用来验证设计究竟安不安全这一情况的必要流程。计算公式得依据你所用设备本身存在着的具体受力情况的模型来定,这里面包含着切削力,重力,还有惯性力等在导轨面上的的分布情况。按照这样核算出来的压强数值必须得小于导轨材料所允许的压强的安全范围才行。
要是核算结果不符合要求,那你得返回去调整设计。可能有的对策包含:加大导轨的宽度或者长度来扩充承压面积;对受力点位置予以优化,让载荷分布变得更均匀;又或者思虑采用更高等级的铸铁或者镶钢、贴塑之类的导轨材料去提升许用压强。要是忽视压强核算,直接进行投产,极有可能致使导轨较早出现压溃现象或者过度磨损,进而造成设备报废呢。

从图纸到可靠产品的实现要点

最终能体现于可制造、可装配、并且可维护的产品之上的是优秀的设计。镶条和压板这类调整件,其材料硬度有着明确的技术要求。其表面粗糙度也有着明确的技术要求。它的几何公差同样有着明确的技术要求。比如说,镶条的工作面,其硬度通常应当略微低于导轨本体,目的在于保护更为贵重的主导轨。镶条配合面的平面度要求是极高程度的,为的是保证调整之后接触的贴合度。
从整体布局方面看,你得全面综合考量润滑点的设置情况,防护罩的安装连接部位,还有排屑是否顺畅。其中有个容易被忽略的细微之处是,导轨两端要设计出恰当的倒角或者引入结构,以此避免运动部件在行程极限位置出现撞击后果或者啃伤情况。做到把每一个细节内容都纳入设计的思考范围,这样你的滑动导轨系统才能够在高负载以及长周期的使用状况下,一直都维持高精度还有高可靠性。

涉及你身处那行业范畴里的,设备当中,最为经常能碰到的,导轨出现失效的状况究竟是什么呢,是属于磨损方面的情况,还是爬行这一情形,又或者是精度保持性上面的问题呢嗯,欢迎于评论区之处分享你自身拥有过得实践经验,要是当前所说这部文字对你产生了启发作用的话,那就请点赞并且分享给更多有着需求的工程师同行们哦 。

辽ICP备2023004615号